变压器各种绕线工艺与绕线机的选择
一、传统变压器篇
单路输出 Flyback 及常见的变压器绕组结构
红色:初级绕组以上为基本的绕线机绕线图
缺点:
1, 临近效应很强,绕组交流损耗大优点:
1,工艺结构十分简单,易于制造2,初级外层接电位静止的V+端,易于实现无Y
3, 初次级间漏感较小,吸收回路损耗较小,效率较高
改进的 Flyback 变压器绕组结构(三明治型)
红色:初级绕组
紫色:辅助绕组
黄色:次级绕组
特点:辅助绕组位于线包最里层,然后分别是初级的一半,次级全部,初级的另一半;
缺点:
1, 次级临近效应很强,绕组交流损耗大
2,初级的一半绕组没有任何的静电位层供屏蔽用,无法实现无Y
优点:
1, 工艺结构复杂,不利于制造;
2, 初次级间漏感较小,吸收回路损耗较小,效率较高
3, 初级临近效应较小,绕组交流损耗小
Flyback 多路输出
L3 与L4 之间的漏感,引起交叉调整。
实用的多路输出型
高压输出绕组叠在低压绕组之上,双线并绕降低交叉调整
功率传输变压器(含正激、推挽、半桥、全桥)
合理的绕组结构, 层厚小于2Δ
红色:初级绕组
紫色:辅助绕组
黄色:次级绕组
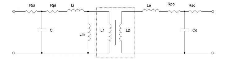
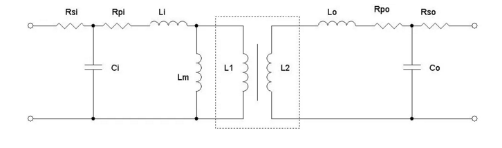
实际变压器的模型
虚线内为理想变压器
脉冲变压器信号传输失真
由于原边及幅边漏感,电阻分量的存在,脉冲在经过变压器后,产生延迟、斜率变缓、振铃、顶降
以上为部份变压器的绕线工艺介绍,安博官方网站关于绕线机的绕线设计可至电ESM国际咨询。
©2001- 安博(中国) . 粤ICP备19119446号-1